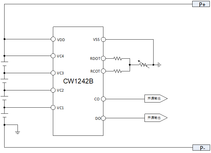
CW1242BÊÇÒ»¿î4´®¶þ¼¶±£»£»£»£»¤IC£¬£¬£¬£¬Ö§³Ö¹ý³ä¡¢¹ý·Å¡¢Î¶ȱ£»£»£»£»¤¡£¡£
¹¦Ð§ÌØÕ÷
? ¹ý³äµç±£»£»£»£»¤
? ãÐÖµ¹æÄ£ 2.8V¡¢3.65V~3.95V¡¢4.175V~4.500V£¬£¬£¬£¬25mV²½½ø£¬£¬£¬£¬¡À25mV¾«¶È
? ¹ý·Åµç±£»£»£»£»¤
? ãÐÖµ¹æÄ£ 1.2V¡¢2.100V~3.000V£¬£¬£¬£¬100mV²½½ø£¬£¬£¬£¬¡À30mV¾«¶È
? ζȼì²â¹¦Ð§
? ³äµçÆéá«Î±£»£»£»£»¤£¬£¬£¬£¬±£»£»£»£»¤Î¶ÈÍⲿ¿ÉÉè
? ·Åµç¸ßα£»£»£»£»¤£¬£¬£¬£¬±£»£»£»£»¤Î¶ÈÍⲿ¿ÉÉè
? µÍ¹¦ºÄÉè¼Æ
? ÊÂÇé״̬ 4¦ÌA (25¡ãC)
? ÐÝÃß״̬ 2.5¦ÌA (25¡ãC)
? ·â×°ÐÎʽ£ºMSOP10
Ó¦ÓÃÁìÓò
? µç¶¯¹¤¾ß
? µç¶¯×ÔÐгµ
? ºó±¸µçÔ´
? ï®Àë×Ó¼°ï®¾ÛºÏÎïµç³Ø°ü
µä·¶Ó¦Óõç·
